991C Parts Lookup

No. Part No Description Qty
1 ACH00017 MAIN CHASSIS 991C 1
2 CAX00002 AXLE 60mm SQ. 6 STUD 1
3 CFA00040 BOLT M16X100 Z/P 2
4 CZH00162 SPRING CLAMP 1
5 CZH00163 SPRING CLAMP AXLE PLATE 1
6 CZH00105 4 BOLT AXLE PLATE 2
7 CWH00009 WHEEL ASSEMBLY 31X15.5-15  6 STUD 2
8 CWH00018 WHEEL RIM 15X13 6 STUD 2
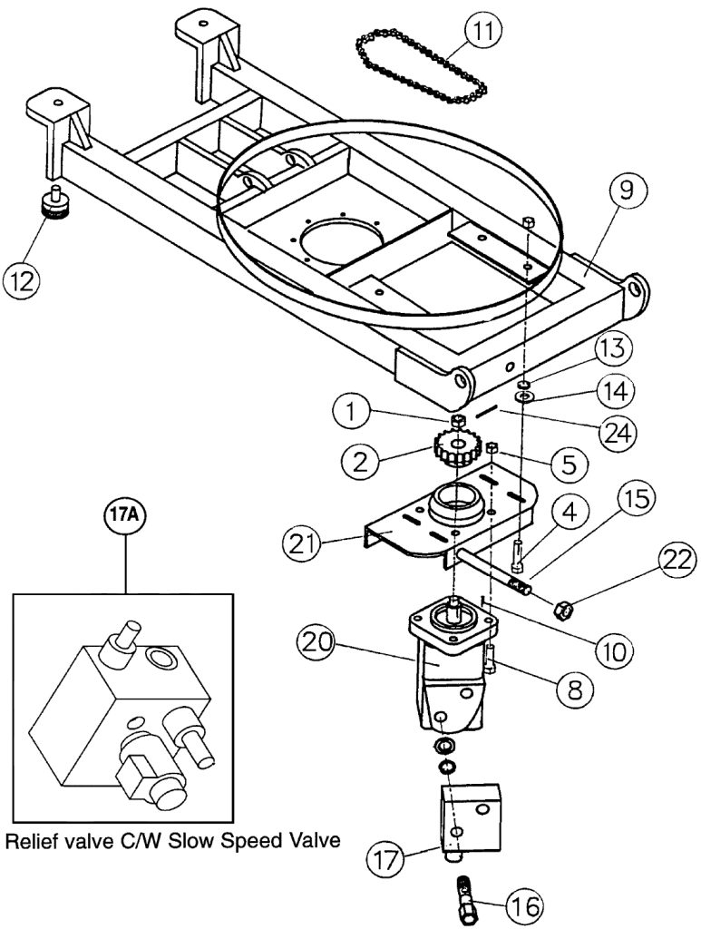
9 CVA00001 4-BANK ELECTRONIC VALVE 991C 1
10 CFA00151 BOLT M16X40 Z/P 2
11 CBR00019 GLACIER BUSH PM 6060 1
12 ADP00012 DISPENSER POST 991C  ASSEMBLY 1
13 CFA00039 U BOLT 16mm 2
14 CTP00003 JACK PARKING C/W WHEEL 991C 1
15 ADB00013 ADJUSTABLE DRAWBAR 1
16 CFA00128 NUT M16 NYLOC 1
17 CFA00129 NUT M20 NYLOC 1
18 CTP00007 HITCH EYE 991C 1
19 CFA00053 BOLT M20X90 Z/P 1
20 CFA00040 BOLT M16X100 Z/P 1
21 ALA00014 LIFT ARM 991C SIDE ARM 1
22 CMH00187 PIN 40X192X12MM 1
23 CMH00183 PIN 25X100&8MM C.HOLE Z/P 1
24 CRA00075 LIFTARM PIVOT CYLINDER 991C 1
25 CMH00066 PIN 25X130&8MM C.HOLE 1
26 ADB00014 DRAWBAR &  FILM ROLL HOLDERS 1
27 CFA00032 BOLT M12X30 Z/P 3
28 CZF00129 DRAWBAR HINGE PIN TOP PLATE 1
29 CBR00019 GLACIER BUSH PM 6060 1
30 CMH00067 PIN 60X395XM12 1
31 CRA00077 DRAWBAR PIVOT CYLINDER 991C 1
32 CMH00068 PIN 19X140&8MM C.HOLE Z/P 1
33 ALA00001 LIFTARM ASSEMBLY 991C 1
34 CRA00019 TABLE TIP CYLINDER 1
34 CSE00019 SEAL KIT TABLE TIP 2 STAGE 1
35 CMH00068 PIN 19X140&8MM C.HOLE Z/P 1
36 CSG00007 SPRING PULL TIP TABLE 991C 1
37 CRA00078 LIFT ARM CYLINDER 991C 1
37 CSE00020 SEAL KIT LIFT ARM CYLINDER 1
38 ALA00008 KIT LIFT ARM RAM PIN 1
39 ALA00008 KIT LIFT ARM RAM PIN 1
40 CMH00014 FILM TUBE HOLDER 60X414 THREADED 3
41    CTP00029 NOT SHOWN ON DRAWING 991C DRAWBAR SAFETY BAR 1
McHale Wrapper 265
No. Part No Description Qty
1 CMT00015 MOTOR SPINDLE NUT 1
2 CMH00177 MOTOR SPROCKET 10 TOOTH 1" 1
4 CFA00151 BOLT M16X40 4
5 CFA00124 NUT 12mm NYLOC 4
8 CFA00079 BOLT M12X45 4
9     ACH00118          991 TRAILED SUB-CHASSIS
INCLUDES ITEMS 12, PIVOT PINS CMH00095, SPACERS CXT00016 & ROLL PINS CFA00010 (REPLACES ACH00010)
1
10 CFA00157 KEY 8X7X35 1
11 CCH00003 CHAIN 16B 1" 47 LINKS 1
12 CBE00002 RUBBER BUFFER M10 THREAD 2
13 CFA00141 WASHER, SPRING 16mm 4
14 CZD00192 WASHER 17X45X4 4
15 CFA00041 BOLT M16X240 1
16 CFA00179 BOLT 10X40 SOCKET CAP SCREW 2
17 CVA00011 CROSS LINE RELIEF VALVE DANFOSS OMS 1
17 CVA03000 SLOW SPEED VALVE DANFOSS OMS 1
17B  CVA00718           VALVE CTE 2WAY NO SAE08
CARTRIDGE & COIL ASM FOR CVA03000 (INCLUDES NUT CVA00722)
1
17C  CVA00722           NUT COIL WALVOIL EC08 CTE
NUT USED TO FIX THE COIL ONTO THE CARTRIDGE OF CVA00718
1
20 CMT00002 MOTOR 250cc CHAR LYNN 1
20 CSE00082 HALF SEAL KIT CHAR LYNN 1
20 CSE00081 SEAL KIT CHAR LYNN COMPLETE 1
20 CSE00083 SEAL KIT MOTOR DANFOSS 1
21 ACH00020 MOTOR ADJUSTING PLATE 1
22 CFA00128 NUT M16 NYLOC 1
24 CFA00021 SPLIT PIN 4X50 1
991c sub chassis 267
No. Part No Description Qty
1 CMH00060 SPROCKET 28T 3/4" PITCH 1
2 CCH00006 CHAIN 12B 3/4" 79 LINK 1
3 CMH00059 SPROCKET 9T 3/4" PITCH 1
5 CBE00003 TABLE BELT 96 3.2M (10`6") SET 1
5 CBE00010 TABLE BELT 96 3.2M (10`6") SINGLE 4
6 ART00003 TABLE IDLE ROLLER 1
7 CBR00005 BEARING PILLOW BLOCK 4
8 CFA00024 SETSCREW M10X25 2
9 CBR00024 BEARING 6206 2RS 4
10 CPL00008 BALE BOBBIN 2
13 CBR00006 BEARING 25mm 2 BOLT FLANGED 1
14    CMH00021          SHAFT 25X900 991
REPLACES CMH01244 [WHICH IS IDENTICAL BUT NO LONGER AVAILABLE]
1
16 ART00005 BOBBIN AXLE SHAFT 2
17 CZD00121 WASHER 10X50X4 1
18 CBC00008 PLASTIC CAP BOBBIN 2
19 CFA00055 SHEAR BOLT M8X35 1
20 CFA00134 WASHER 10mm MUDWING 1
21 CFA00155 KEY 8X10X25 1
22 CMH00029 SHEAR BOLT FLANGE 1
23 CFA00022 SETSCREW M10X16 2
24 ART00004 TABLE DRIVING ROLLER 1
25 CGD00004 PLASTIC CHAIN GUARD 1
26 CFA00033 BOLT M12X35 2
991c rotary table 268
No. Part No Description Qty
0     ACH00015          GEARBOX ROUND NEW COMPLETE ASM                                                        1
(COMPLETE ASM) MACHINES PRIOR TO SERIAL No 61620 (991B) OR 103290 (991L) MUST ALSO ORDER CROSSHAFT CMH
1 CBR00001 BEARING 6007 2RS 2
2 CBR00002 BEARING 6215 2RS 1
3 CBR00003 BEARING 62162RS 1
4 CFA00002 CIRCLIP 62MM INTERNAL 2
5 CFA00006 ROLL PIN 5X40 1
6 CFA00009 ROLL PIN 8X40 1
7 CFA00032 SETSCREW M12X30 Z/P 2
8 CFA00045 SETSCREW M6X16 6
9 CFA00128 NUT M16 NYLOC 6
10 CFA00154 KEY 8 X 7 X 25 3
11 CFA00213 SHIM 50X62X0.3 4
12 CFA00704 CIRCLIP 75MM EXTERNAL HEAVY 1
13    ART00382           GEARBOX BOLT 991 WITH ROD IRON
REPLACES BOLT M16 X 90 (CFA00794)
6
14 CHY00020 WASHER DOWTY 3/8" 1
15 CHY02001 ADAPTOR EXTENSION 3/8" BSP M/F 32mm LONG 1
16    CMH00018          SHAFT 35X150 STEPPED &2X KWAYS                                                               1
991B/991L MACHINES PRIOR TO SERIAL Nos 59780/102810 & ALL 991C MODELS MUST ALSO ORDER SHAFT CMH00021
17 CMH00032 SEAL BLOCK WRAPPER GEARBOX 1
18 CMH00064 SHIM GEARBOX 1
19    CMH00182          SHAFT 80X220 & KEYWAY
REPLACES CMH00019
1
20 CMH01028 BUSH 17X30X39 6
21    ACH00031          KIT BEVEL GEARS
UP TO SERIAL No 63791 (KIT INCLUDES GEARS, ROLL-PINS & KEY)
1
21    ACH03007          991 BEVEL GEAR KIT FROM 63792
FROM SERIAL No 63792 (KIT INCLUDES GEARS, SHIMS & KEYS)
1
22 CSE00001 SEAL GEARBOX 991 2
23 CSE00006 GASKET 128X158&6X8MM C.HOLES 1
24    CTP00112           GEARBOX HOUSING CAST 991 SERIES
DIRECT REPLACEMENT FOR GEARBOX HOUSING WELDMENT ACH00034
1
25 CZB02365 GEARBOX COVER PLATE 1
26    ACH00029          KIT GEARBOX REPAIR
NOT SHOWN (KIT INCLUDES 2X ITEMS 1, 4, 10, 21, 22 +SHIMS & 1X ITEMS 2, 3, 5, 6, 12, 16, 19, 23 & 25)
1
27 CFA00783 WASHER NL16 NORD-LOCK 6
28 CZF03782 6MM L WASHER 991 SUBCHASSIS XAR400 3
236 1
No. Part No Description Qty
0 ADP00015 FILM DISPENSER ASSEMBLY 750MM 1
1 ADP00018 DISPENSER GEAR SET 70% 1
1 ADP00019 DISPENSER GEAR SET 55% 1
4 ADP00010 DISPENSER UNIT FRAME 1
5 CFA00052 SETSCREW M8X20 8
6 ADP00004 BOTTOM PLATE 1
7 CBR00004 FLANGED BEARING 20mm 4
8 CMH00034 PRIMARY ROLLER (ALU) 1
9 CFA00132 NUT M8  NYLOC 8
10 CMH00035 SECONDARY ROLLER (ALU) 1
14 CFA00124 NUT M12 NYLOC 2
15 CFA00132 NUT M8  NYLOC 2
16 CGD00001 GUARD DISPENSER GEARS 1
17 CFA00153 KEY 6X6X15 2
18 CFA00139 WASHER 12MM HEAVY DUTY 2
19 CFA00123 NUT M10 NYLOC 4
20 CFA00024 SETSCREW M10X25 4
21 CSG00003 SPRING TORSION DISPENSER 1
22 CEL00017 MAGNET 1
23    CEL00004           SPEED SENSOR CABLE 3.6M                                                                               1 THIS IS A STANDARD McHale REED SENSOR MEANING IT IS INTERCHANGEABLE WITH OTHER SUCH SENSORS AND ONL
23 CGD00009 GUARD DISPENSER ROLLERS 1
991c dispenseer post 270
No. Part No Description Qty
0     ACT00008           CUT & HOLD 991C FULL ASSEMBLY
INCLUDES ITEMS 1 THROUGH 24
1
1 ACT00007 CUT & HOLD FRAME 1
2 CFA00222 WASHER 14mm FLAT 2
3 CFA00126 NUT M14 NYLOC 2
4 CFA00222 WASHER 14mm FLAT 2
5 CFA00126 NUT M14 NYLOC 2
6     CKN00001          CUT & HOLD KNIFE
Replaced by ACT00061 (Safety knife kit containing 5 blades)
1
6     ACT00061           KIT CUT & HOLD KNIFE KIT
(Safety knife replacement kit containing 5 blades) Replaces CKN00001
1
7 CFA00040 BOLT M16X100 Z/P 4
8 CZH00135 2 BOLT PLATE FOR CUT & HOLD 2
9 CFA00128 NUT M16 NYLOC 4
10 CFA00024 SETSCREW M10X25 2
11 CMH00326 GUIDE BAR 1
12 CBE00002 RUBBER BUFFER M10 THREAD 1
13 CSG00004 COIL SPRING 1
14 CMH00023 CHROME PLUNGER 25mm 1
15 CZD00118 WASHER 10x40x4 1
16 CFA00024 SETSCREW M10X25 1
17 CMH00093 14mm SPACER 1
18 CVA03013 ACCUMULATOR 1 LITRE 30 BAR 1
19 CHY02004 PLUG 3/8" BSP MALE 1
20 CRA00076 CUT & HOLD CYLINDER COMPLETE 991C 1
20 CSE00021 SEAL KIT CUT & HOLD CYLINDER 1
21 CBE00006 RUBBER GAITER CUT & HOLD 1
22 CMH00325 BUSH STEPPED 20X40X90 (NYLON) 1
23 CFA00222 WASHER 14mm FLAT 2
24 ACT00070 FILM RETAINER CUT&HOLD 995 LSR 1
991c cut and hold 272
No. Part No Description Qty
1 ABD00003 BALE DAMPER STD FULL ASSEMBLY 1
1 ABD00004 BALE DAMPER FRAME 1
2 CRA00038 BALE DAMPER CYLINDER COMPLETE 1
2 CSE00038 SEAL KIT BALE DAMPER 1
3 CMH00095 TOP RAM PIN 25X106&8MM C.HOLE 1
4 CMH00066 BOTTOM RAM PIN 25X130&8MM C.HOLE 1
5 ABD00005 MAT FRAME STANDARD 1
7 CRA01038 ADJUSTABLE CYLINDER END 1
8 CBE00001 MAT STANDARD 1
11 CBE00002 RUBBER BUFFER M10 THREAD 1
14 CFA00037 BOLT M12X80 CUPHEAD Z/P 3
15 CFA00010 ROLL PIN 8X50 Z/P 4
16 CMH00154 HINGE PIN 25X190&8MMC.HOLE 2
22 ABD00001 BALE DAMPER SLIDE 1
23 CFA00128 NUT M16 NYLOC 4
24 CFA00151 BOLT M16X40 Z/P 4
991c bale damper 273
No.  Part No Description Qty
1     ABD00006 BALE DAMPER SIDE TIP FULL ASSEMBLY 1
1     ABD00008 SIDE TIP BALE DAMPER FRAME 1
2     CBE00002 RUBBER BUFFER M10 THREAD 1
3     CRA00038 BALE DAMPER CYLINDER COMPLETE 1
3     CSE00038 SEAL KIT BALE DAMPER CYLINDER 1
4     CMH00154 HINGE PIN 25X190&8mmC.HOLE 2
5     CMH00152 TIP ARM PIN 25X80&8mmC.HOLE 1
6     CFA00010 ROLL PIN 8X50 Z/P 1
7     CMH00063 ROLLER SIDE TIP ARM 1
8     CMH00095 TOP RAM PIN 25X106&8mm C.HOLE 1
9     ABD00009 SIDE TIP ARM ASSEMBLY 1
10    CFA00128 NUT M16 NYLOC 1
11    ABD00011 LATCH SIDE TIP DAMPER 1
12    CFA00116 BOLT M16X50 Z/P 1
13    CFA00078 BOLT M12X30 CUP SQ.Z/P 2
14    CFA00194 D-CLIP 1
15    CBE00009 BALE MAT SIDE TIP 1
16    CTP00002 PLATE SIDE TIP 1
18    CSG00006 SPRING SIDETIP 1
19    CBE00002 RUBBER BUFFER M10 THREAD 2
21    ABD00007 SIDE TIP MAT FRAME 1
22    ABD00001 BALE DAMPER SLIDE 1
23    CFA00128 NUT M16 NYLOC 4
24    CFA00151 BOLT M16X40 Z/P 4
25    CMH00066 BOTTOM RAM PIN 25X130&8mm C.HOLE 1
26    CMH00146 PIVOT PIN 25X490&8mm C.HOLE Z/P 1
27    CFA00010 ROLL PIN 8X50 Z/P 1
*     ABD00002 SIDE TIP DAMPER EXTENSION PIECE 1
991c bale damper side tip 274
No. Part No Description Qty
1 CAX00002 AXLE 60mm SQ. 6 STUD 1
2 CSE00079 SEAL AXLE HUB 6 STUD 2
4 CFA00121 WHEEL NUT 6 STUD AXLE 12
5 CFA00235 WHEEL STUD 6 STUD AXLE 12
6 CAX00009 WHEEL HUB 6 STUD AXLE 2
7 ACH00036 WHEEL BEARING KIT 6 STUD AXLE 2
8 CAX00010 CASTLE NUT 6 STUD AXLE 2
9 CFA00013 SPLIT PIN 2
10 CAX00011 HUB CAP 6 STUD AXLE 2
275
No. Part No Description Qty
ADP00022 500mm CONVERSION KIT 1
1 CMH00058 SPROCKET PLATE WHEEL 45 TOOTH 1
2 CCH00001 CHAIN EXT. PIECE 12B 3/4" PITCH 9 LINK 1
3 CPL00006 PLASTIC PIPE 1
991c 500mm conversion kit
No. Part No Description Qty
2 CEL00071 CONTROL BOX EXPERT TRAILED 1
2     KST00069           991 CONTROL UNIT ADAPTOR KIT
THIS KIT IS A REPLACEMENT FOR THE OLD TOGGLE-SWITCH 24 PIN AUTO CONTROL-BOX (PRE-EXPERT)
1
3 CVA00001 VALVE CONTROL 4 BANK ELECTRONIC 1
4 CEL00008 PRESSURE SWITCH 135 BAR (2000PSI) 1
5 CVA03009 BLOW OFF VALVE 60 BAR 2
6 CEL00012 ELECTRONIC REMOTE RECEIVER 1
7 CEL00013 ELECTRONIC REMOTE HAND PIECE 1
8 CVA03000 SLOW SPEED VALVE DANFOSS OMS 1
8A    CVA00718           VALVE CTE 2WAY NO SAE08
CARTRIDGE & COIL ASM FOR CVA03000 (INCLUDES NUT CVA00722)
1
8B    CVA00722           NUT COIL WALVOIL EC08 CTE
NUT USED TO FIX THE COIL ONTO THE CARTRIDGE OF CVA00718
1
10 KST00182 991/995 MAIN LOOM KIT 1
10 CEL00086 LOOM EXTENSION 7 M (37 PIN) 1
10 CEL00115 LOOM EXTENSION 4 M (37 PIN) 1
10 CEL00085 LOOM EXTENSION 1.5 M (37 PIN) 1
10a   CEL00003           LOOM AUTO ELECTRONIC BALEWRAP
THIS IS USED WITH OLD TOGGLE-SWITCH 24 PIN AUTO CONTROL-BOX  (PRE-EXPERT)
1
10b   CEL00658           991 AUTO EXPERT ADAPTOR                                                                               1
THIS IS USED TO ADAPT OLDER MACHINES (WITH 24 PIN CONNECTOR ) TO USE THE (37 PIN) EXPERT CONTROL BOX (IT
11    CEL00004           SPEED SENSOR CABLE 3.6M                                                                               3
CEL00215 UNIVERSAL MAGNETIC SENSOR IS A SUITABLE REPLACEMENT FOR THIS PART. ALL McHale MAGNETIC SENS
12    CEL00036           SPEED SENSOR CABLE 5M                                                                                   1
CEL00215 UNIVERSAL MAGNETIC SENSOR IS A SUITABLE REPLACEMENT FOR THIS PART. ALL McHale MAGNETIC SENS
13    CEL00017           MAGNET 1
14 CMH00224 MAGNET SPACER 1
15 CVA03003 RESTRICTOR SEQUENCE VALVE 1
16 CVA03002 SEQUENCE VALVE 1
17 CVA03007 RESTRICTOR 1
18 CPL00012 VACUUM PAD MULTIRACK 1
19 CVA00025 DIVERTER VALVE FLOW REGULATOR 1
277